ついこの間までビルメンをやっていたのですが、ときどき絶縁抵抗計の使い方を聞かれる事がありました。絶縁抵抗計を使うときはいざってときが多いのと、失敗してしまうと事故のもとなのでここで簡単にまとめておきたいと思います。
そもそもメガーとはこんなやつです。↓


デジタル表示のものもあります。個人的には針の挙動が分かりやすいアナログのほうがおススメです。


基本的な使い方は黒のクリップ側をアースにかませ、逆の赤のプローブを測定したいケーブルなどにつけて対地間の抵抗を測定するものです。クリップを他のケーブルにつけると線間の絶縁抵抗を測定することができます。
主に使用するのが、ビルの全停電日などの電気設備点検時あるいはモーターや照明の絶縁不良が確認されたときです。
停電時に使用する分にはあまり危険ではないのですが、今回は絶縁不良個所を調べる時の使い方を紹介したいと思います。
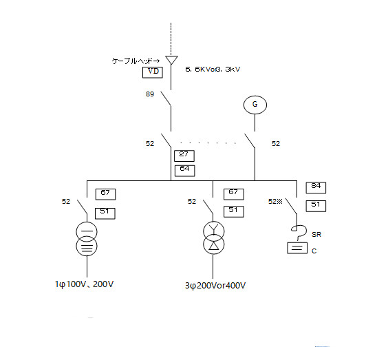
【低圧モータートリップの例】①地絡継電器(51Gなど)、ELBのトリップ、インバータのエラーコードなどを確認する。
盤面の表示や盤内のリレー等から対象モーターを判別して下さい。
②ブレーカーOFFを確認する。ONであればOFFにする。
マグネットスイッチが釈放されていても負荷側を触るのは危険なのでOFFにして下さい。またブレーカへ操作禁止の表示をしてから作業する事が労働安全衛生法で定められています。
③絶縁抵抗計で測定する箇所を検電する。
メガーは無電圧の回路を測定するのが原則です。検電器で電圧がないのを確認する。


↑低圧検電器
④盤内接地とケースアースの確認
盤内には緑のIV線がEと書いてあるバーなどに接続されている場合が多いと思います。
そこから接地線で大地とつながっています。そこと盤フレーム金具(ボルト等)間をメガーをかけます。0ΩであればOKです。「ゼロチェック」などと読んでる現場が多いです。
⑤レンジの確認
電圧をかけるレンジの確認をします。一般的には以下の分類で問題ないはずです。
1000Vレンジ → 高圧機器 3.3KV 6.6KV回路
500Vレンジ → 低圧機器 400V回路
250Vレンジ → 低圧機器 200V回路
125Vレンジ → 低圧機器 100V回路
メガーをかける前に注意しなければならないのが電子機器です。コンセントにつながっているPC、エアコン室外機の基板、モーター用インバータなどはメガーで壊す危険があります。
気をつけましょう。
⑥絶縁抵抗測定 (一括)
マグネットスイッチの2次側かケーブルの端子台で測定するのが一般的です。
ただし、隣の機器が通電中の場合危険なので安全な方法で実施してください。
モーターの巻き線は繋がっているのでUVWどれかの相の対地間のみ測定すればOKです。
モーターの絶縁不良であれば整備や更新を検討してください。
※絶縁抵抗値の基準は電気設備技術基準参照
⑦絶縁抵抗測定(個別)
ケーブルが埋設されている場合、ケーブルの絶縁抵抗が悪い可能性があります。
⑥の測定では原因がどちらか確認できません。
図の様にモーターの端子箱で切り離し、ケーブル、モーター別々に測定する事ができます。
ケーブルは対地間のほかR-S、S-T、R-T間の線間抵抗値を測定します。
モーターに比べケーブルが不良という可能性は低いですが、絶縁不良は切り分けが重要になってきます。
【照明回路絶縁不良の例】
照明8回路、コンセント2回路を想定します。(単相三線式)
①メインブレーカーのトリップを確認する。
照明は個々にELBを設置している場合は少ないのでメインELBがトリップしている場合が多いと思います。
②③④のメガーをかける準備はモーターの場合を確認して下さい。
⑤レンジの確認
ビルなどの照明は200Vである場合が多いので250Vレンジで問題ないかと思われます。
コンセントは前述しましたが、PCがつながっている場合が多いのでかけません。
⑥絶縁抵抗測定(一括)
図の様にメインブレーカーとコンセント回路のみOFFにして照明のみONにします。
この状態で一括で絶縁抵抗測定をしながら、ブレーカをひとつずつOFFにしていきます。
OFFにして絶縁抵抗が上昇したら、その回路は不良回路と確認できます。
ただし、このままではこの系統の照明が使えなくなってしまいます。
⑥絶縁抵抗測定(個別)
不良回路は下記の通りになっているとします。
このブレーカーがONにできないとRの照明4つが消えたままになってしまいます。
まず調査するのがジョイントボックスです。各ジョイントボックスを一つずつ離線していきメガーをかけて電源側なのかランプ側なのか渡り線なのか判別します。
絶縁不良はIV線か照明器具本体なので、IV線の引き換えか、照明器具を交換すればいいのですが、すぐ復旧したい場合はとりあえず不良個所を切り離します。
これで絶縁不良個所は切り離せました。この状態であれば不良であったブレーカーはONにする事ができ、取り急ぎ照明がつかない個所は一つだけになりました。
今回モーターと照明の例を紹介させて頂きました。絶縁不良にはさまざまなパターンがあり改修には経験が必要です。業者さんまかせではあまり良くないのですが、深追いも禁物です。自分の知識、経験と相談しつつ早期に解決できる様になるのがベストだと思います。